|
 |
圧縮型ロードセル
Compression Load Cell |
|
|
 |
|
|
| ■仕様 |
|
| 型式名 |
TR20CF |
| 定格容量 |
1kN,2kN,5kN,10kN,20kN, |
| |
50kN,100kN,200kN,500kN,1MN |
| 出力電圧 |
0.5mV/V±1% (1kN) |
| |
1.0mV/V±1% (2kN〜1MN) |
| 非直線性 |
0.2%R.O.以内 |
| ヒステリシス |
0.2%R.O.以内 |
| 繰り返し性 |
0.1%R.O.以内 |
| 入力抵抗 |
700Ω (1kN〜100kN) |
| |
350Ω (200kN〜1MN) |
| 出力抵抗 |
700Ω±1% (1kN〜100kN) |
| |
350Ω±1% (200kN〜1MN) |
| 絶縁抵抗 |
1000MΩ以上 |
| 許容過負荷 |
300% |
| 許容印加電圧 |
15V |
| 初期不平衡電圧 |
±0.05mV/V以内 |
| 許容温度範囲 |
-20℃〜+80℃ |
| 使用温度範囲 |
-10℃〜+75℃ |
| 零点の温度影響 |
0.01%R.O./℃ |
| 出力の温度影響 |
0.01%R.O./℃ |
| ケーブルの種類 |
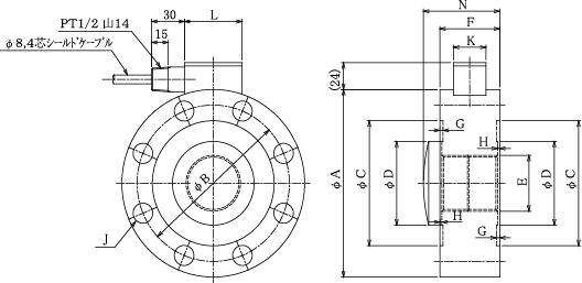
φ8,4芯シールドケーブル |
| ケーブルの長さ |
5m/1本 |
| 出力方式 |
直結 (コネクタ仕様も可能) |
| 表面処理 |
塗装 |
|
| ■特徴 |
◆ロードボタン付き。ロードボタンは脱着
可能で、外すと雌ネジとなっているため
ご使用方法にあわせてお使い頂けます。
◆低容量から高容量まで幅広い設定があり
せん断方式を採用しているため高性能で
薄型、偏荷重にも強い構造となっています。
◆TR20C型の出力ひずみ量を抑え、疲労用
として使用して頂けます。 |
|
|
|
| 定格容量 |
A |
B |
C |
D |
E |
F |
G |
H |
J |
K |
L |
N |
| 1kN,2kN |
68 |
55 |
46 |
16 |
M12×1.75 |
27 |
2 |
1 |
4-5.5キリ |
24 |
40 |
34 |
| 5kN |
87 |
70 |
53 |
24 |
M16×2 |
30 |
2 |
1 |
6-9キリ |
24 |
40 |
38 |
| 10kN,20kN |
112 |
90 |
70 |
40 |
M24×2 |
35 |
2 |
1 |
6-11キリ |
30 |
53 |
45 |
| 50kN |
138 |
110 |
85 |
55 |
M36×2 |
45 |
3 |
2 |
6-16キリ |
30 |
53 |
57 |
| 100kN |
168 |
140 |
112 |
75 |
M50×3 |
55 |
3 |
2 |
8-18キリ |
30 |
53 |
70 |
| 200kN |
218 |
175 |
135 |
95 |
M56×3 |
65 |
5 |
3 |
8-22キリ |
30 |
53 |
85 |
| 500kN |
255 |
210 |
165 |
113 |
M68×3 |
80 |
5 |
3 |
12-22キリ |
30 |
53 |
110 |
| 1MN |
300 |
250 |
200 |
150 |
M85×3 |
90 |
7 |
4 |
12-26キリ |
30 |
53 |
125 |
| ※ 上記の「定格容量」の容量をクリックして頂くと容量別にPDFで図が表示されます。 |
|
|